Book
Elektrivool. Elektritakistus. Kondensaatorid
Elektrivool. Elektritakistus. Kondensaatorid
Completion requirements
Raamatu sees on ka videoloengud
5. Takistus
Ohmi seadus osa ahela kohta
- Voolu tugevus juhis on võrdeline pingega
- Võrdetegur sõltub juhi mõõtmetest ning materjalist. Seda iseloomustatakse takistusega.
- Juhi takistus on juhti iseloomustav suurus, mis defineeritakse kui Ohm'i seaduses oleva võrdeteguri pöördväärtu
, kus R - juhi takistus.
Takistuse mõõtühik: 1 (Ohm)
Eritakistus
- Suurus, mis iseloomustab materjali elektrijuhtivust.
- Iseloomustab ainet, millest juht on valmistatud
- Elektrijuhtidena kasutatakse vaske ja alumiiniumit, kõige paem on hõbe
- Ühtlase ristlõikega juhi korral on takistus võrdeline juhi pikkusega (seda suurem, mida pikem on juht) ning pöördvõrdeline ristlõikepindalaga (seda väiksem, mida jämedam on juht); võrdeteguriks ongi siis eritakistus :

- Eritakistuse pöördväärtust nimetatakse erijuhtivuseks.
- Eritakistuse ühiku saame takistuse valemist:

Ohmi seadus kogu ahela kohta
Et Ohmi seadus oleks rakendatav ka väikeste takistuste puhul, tuuakse sisse vooluallika
sisetakistuse mõiste
, kus r - sisetakistus
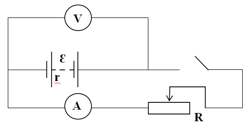
Sisetakistuse määramine
Sisetakistust saab määrata järgmise skeemi abil:

Avatud
lüliti korral voltmeeter näitab elemktromotoorjõudu.
Suletud lüliti
korral voltmeeter näitab pingelangu ampermeetri ja reostaadi peal. Ampermeeter
näitab voolutugevust.
Kasutades Ohmi seadust kogu ahela
kohta, võib leida sisetakistus