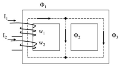
4. Kirchoffi I reegel

Magnetvoogude summa magnetahela igas sõlmes võrdub nulliga.



Sisenevad voogud on positiivsed ning väljuvad voogud on negatiivsed: